技术参数
| 基本参数 | 尺寸与安装 | ||
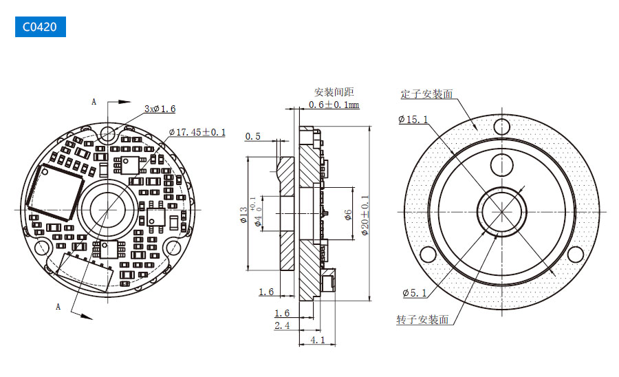
| 角分辨率(bit) | 15-17 | 外径/内径/高度 (mm) | 20/4/6.5 |
| 最大静态误差 | ±0.05° | 允许安装偏心度 (mm) | ±0.1 |
| 重复误差(lsb) | ±2 | 定转子安装间隙 (mm) | 0.6±0.1 |
| 最大运行速度(rpm) | 4000 | 转子惯量 (kg·mm2) | 0.01 |
| 测量范围 | 单圈 | 重量(g) | 4 |
| 旋转方向 | 默认顺时针递增(可调) | 材料耐燃等级 | FR-4 |
| 环境适应性 | 电气及接口 | ||
| emc | iec 61000-6-2 iec 61000-6-4 | 供电电压 | 5v |
| 工作温度 | -40℃-+125℃ | 电流 | <80ma |
| 储藏温度 | -50℃-+100℃ | 电气接口 | 6-pin connector 6-core cable |
| 相对湿度 | 0-99% | 输出协议 | ssi/biss-c/rs-422/rs-485 |
冲击 | 100g/11ms | ||
| 震动 | 20g(10-2000hz) | ||
| 防护最高等级 | ip 40 | ||
尺寸图纸
订购说明
电感单双编码器
C系列单编码器
D系列双编码器
DP系列双编码器
C
25
60
A
19
01
05
S
通讯协议:
B:BiSS-C接口/S:ssi接口
R:RS-422串行接口/E:RS-485
B:BiSS-C接口/S:ssi接口
R:RS-422串行接口/E:RS-485
供电电压
05:5v
12:12v
24:24v
05:5v
12:12v
24:24v
工作温度
01:-30℃~+85℃
02:-40℃~+125℃
01:-30℃~+85℃
02:-40℃~+125℃
编码器输出分辨率
15:15位(32768)
17:17位(131072) / 18:18位 (262144)
19:19位(524288) / 20:20位(1048576)
21:21位(2097152) / 22:22位(4194304)
15:15位(32768)
17:17位(131072) / 18:18位 (262144)
19:19位(524288) / 20:20位(1048576)
21:21位(2097152) / 22:22位(4194304)
输出种类
A:单圈绝对值 / B:多圈绝对值
A:单圈绝对值 / B:多圈绝对值
外径
60:外径60mm
60:外径60mm
内径
25:内孔25mm
25:内孔25mm
产品系列
C:绝对值单编
D:绝对值双编
DP系列双编码器
C:绝对值单编
D:绝对值双编
DP系列双编码器
例如:
C–25–60–A–19–01–05–S表示C系列绝对值单编,内孔25mm,外径60mm,19为单圈绝对值,温度-40℃~+125℃,5~30V供电,输出通讯协议SSI接口。
D–21–58–A–19–02–05–E表示D系列上下绝对值双编,内孔21mm,外径58mm,19为单圈绝对值,温度-40℃~+125℃,5~24V供电,输出通讯协议RS-485接口。
DP–20–50–A–19–02–05–E表示DP系列内外绝对值双编,内孔20mm,外径50mm,19为单圈绝对值,温度-40℃~+125℃,5V供电,输出通讯协议RS-485接口。









