技术参数
| 型号 | UE3410 | |
| 直流电压(VDC) | 24 | |
| 额定功率(W) | 25 | |
| 额定转矩(N.m) | 0.067 | |
| 最大转矩(N.m) | 0.16 | |
| 额定电流(A) | 1.2 | |
| 最大电流(A) | 3 | |
| 额定转速(rpm) | 3600 | |
| 最高转速(rpm) | 4870 | |
| 转矩参数(Nm/A) | 0.056 | |
| 转动惯量(kg.cm²) | 0.02 | |
| 反电势系数(V/Krpm) | 4.9 | |
| 线电阻(ohms@20℃) | 4 | |
| 线电感(mH) | 0.77 | |
| 极对数(2P) | 7 | |
| 重量(kg) | ||
| 齿槽转矩(mN.m) | (参考值) | |
| 尺寸(mm) | L1(铁芯高度) | |
| L2(转子高度) | ||
| L3(整体高度) | ||
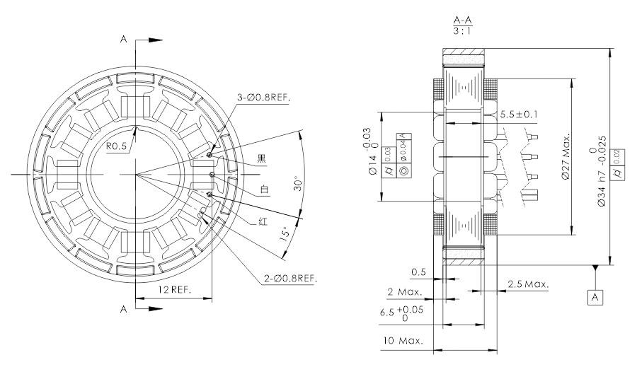
尺寸图纸







