技术参数
| 型号 | UE4014 | |
| 直流电压(VDC) | 24 | |
| 额定功率(W) | 26.2 | |
| 额定转矩(N.m) | 0.1 | |
| 最大转矩(N.m) | 0.27 | |
| 额定电流(A) | 1.5 | |
| 最大电流(A) | 4 | |
| 额定转速(rpm) | 2500 | |
| 最高转速(rpm) | 3850 | |
| 转矩参数(Nm/A) | 0.067 | |
| 转动惯量(kg.cm²) | 0.043 | |
| 反电势系数(V/Krpm) | 6.2 | |
| 线电阻(ohms@20℃) | 3.12 | |
| 线电感(mH) | 0.27 | |
| 极对数(2P) | 14 | |
| 重量(kg) | ||
| 齿槽转矩(mN.m) | (参考值) | |
| 尺寸(mm) | L1(铁芯高度) | |
| L2(转子高度) | ||
| L3(整体高度) | ||
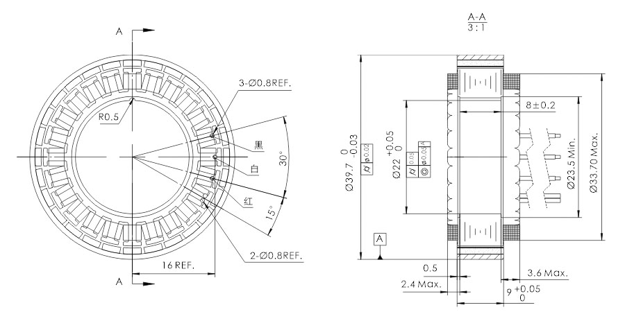
尺寸图纸







