技术参数
| 型号 | UE1506 | |
| 直流电压(VDC) | 12 | |
| 额定功率(W) | 2.7 | |
| 额定转矩(N.m) | 0.0035 | |
| 最大转矩(N.m) | 0.01 | |
| 额定电流(A) | 0.3 | |
| 最大电流(A) | 0.85 | |
| 额定转速(rpm) | 7500 | |
| 最高转速(rpm) | 11400 | |
| 转矩参数(Nm/A) | 0.012 | |
| 转动惯量(kg.cm²) | 0.0006 | |
| 反电势系数(V/Krpm) | 1.05 | |
| 线电阻(ohms@20℃) | 10 | |
| 线电感(mH) | 0.42 | |
| 极对数(2P) | 5 | |
| 重量(kg) | ||
| 齿槽转矩(mN.m) | (参考值) | |
| 尺寸(mm) | L1(铁芯高度) | |
| L2(转子高度) | ||
| L3(整体高度) | ||
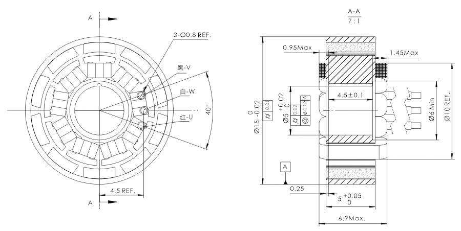
尺寸图纸







